怎樣利用鎖相環的自舉技術提升振蕩器性能
來源:http://m.giantshuffleboard.com 作者:金洛鑫電子 2019年08月14
如何使石英晶體振蕩器的性能提高.是現在許多晶體制造商都在面臨的問題,和需要攻克的難題.雖然如今的晶體振蕩器技術已經處于相當不錯的水平,但科技日新月異,進展飛快,然而頻率元件制造水平,與當代的產品技術有點點差距,一些設計要求非常高,且技術復雜的大型設備和儀器,常常會因為找不到可以滿足要求的振蕩器,而使計劃舉步維艱,因此提升石英晶振的性能,并降低產品成本,成為生產廠家們時刻關注的事情.
本文描述了一種用于鎖相環的自舉技術,以提高振蕩器的性能.補償方案可用于校正老化,預熱特性,溫度穩定性,短期穩定性和振動引起的相位噪聲.與其他多晶振蕩器或多振蕩器方案不同,這種方法不需要不尋常的機械配置或特殊傳感器,振蕩器具有鎖相功能,可消除低頻雜散”拍音”.
一般概念:
圖1描繪了普通PLL和可能的自舉PLL實現.PLL的校正電壓與振蕩器解鎖時的頻率差成正比(假設線性調諧).如果頻率差是線性和可重復的外部誘導效應或線性時間相關效應,那么該校正電壓可用于產生補償信號.適當縮放的補償以相同的極性應用于兩個振蕩器的電調諧,其自身頻率相同.通過自舉兩個振蕩器,鎖相環保持不受影響并消除線性擾動.也可以補償非線性頻率擾動,但是補償信號將需要非線性處理而不是簡單縮放.該技術要求兩個振蕩器對外部影響具有顯著不同的靈敏度,但在實踐中,通常更容易找到具有不同老化速率,加速度靈敏度或頻率跳躍的晶體,而不是找到匹配的晶體.
老化校正:
簡單的老化校正系統用作該技術的示例.假設兩個鎖相振蕩器具有每年+2PPM和+5PPM的可預測老化率,并假設其電調諧的調諧靈敏度為每PP0 1PPM.當兩個Oscillator鎖相時,調諧電壓將以每年3伏的速率變化(每年3PPM差異).如果2PPM振蕩器是PLL中的主振蕩器,則將調諧電壓調整-2/3將提供消除參考電壓老化所需的校正電壓(3x2/3=2伏/年).如果另一個振蕩器是參考,那么比例因子將被選擇為-5/3.負極性由圖2中的求和放大器完成.1.將縮放電壓應用于兩個振蕩器將消除兩者的老化而不會干擾PLL.經過一年的運行,2PPM振蕩器調諧電壓將下降2伏,5PPM振蕩器上的電壓將下降3+2=5伏.顯然,這種技術需要可預測和穩定的老化速率,因此在該應用中具有有限的用途.
振動補償:
更合適的應用是校正振動引起的相位噪聲.夸脫晶體表現出與加速度相關的方向敏感性,導致晶振在存在振動時產生感應相位噪聲.早期的補償方案試圖對靈敏度,方向和1A進行建模,雖然這種材料被認為是原始的,但這里提出的概念的原創性是未知的,現有專利可能涵蓋了所提出材料的某些部分.


圖1:自舉PLL降低了振蕩器的不穩定性.
頻率跳躍:
自舉PLL的另一個應用是三個振蕩器的組合,以減緩許多精密晶體表現出的偶然頻率步長.幾十億分之幾的突然步驟會破壞某些定時接收器的穩定性.先前的方案在投票安排中將三個自激振蕩器與頻率鑒別器組合以確定哪個振蕩器最接近一致.忽略表現出最大頻率偏差的振蕩器,并將另外兩個振蕩器中的一個用于輸出.在所提出的自舉PLL方案中,三個振蕩器是鎖相的,并且監視調諧電壓以確定哪個振蕩器采取了頻率步長(圖2).
任意選擇一個進口晶體振蕩器作為主振蕩器,選擇另一個振蕩器作為備用主振蕩器.在操作中,主機通過兩個PLL控制輸出頻率.如果主機采用頻率步進,則兩個PLL都將呈現觸發比較器和門的電壓階躍.門控輸出切換模擬開關,將備用主控PLL的輸出連接到自舉輸入,取消主機產生的步進.調諧電壓AC耦合到比較器中,使得系統僅響應突然的步驟并在一段時間后恢復到標稱狀態.由于自舉電壓應用于兩個振蕩器,因此PLL不受干擾.如果其他兩個振蕩器中的任何一個采用頻率步進,則AND門不會切換,并且主控制器仍處于控制狀態.最終結果是平滑主振蕩器的頻率步長,將它們轉換為足夠慢的頻率漂移,以便定時接收器能夠容忍.
如果兩個振蕩器被調諧相同的量,則鎖相環可以在頻率上移位而不會干擾環路.所提出的技術從PLL的調諧電壓中提取關于不期望的振蕩器行為的信息,并且引導兩個SPXO晶體振蕩器以減少行為.自舉技術可以找到其他應用,包括與環路無關的FM調制和慢速環路和多環系統的快速調諧.
本文描述了一種用于鎖相環的自舉技術,以提高振蕩器的性能.補償方案可用于校正老化,預熱特性,溫度穩定性,短期穩定性和振動引起的相位噪聲.與其他多晶振蕩器或多振蕩器方案不同,這種方法不需要不尋常的機械配置或特殊傳感器,振蕩器具有鎖相功能,可消除低頻雜散”拍音”.
一般概念:
圖1描繪了普通PLL和可能的自舉PLL實現.PLL的校正電壓與振蕩器解鎖時的頻率差成正比(假設線性調諧).如果頻率差是線性和可重復的外部誘導效應或線性時間相關效應,那么該校正電壓可用于產生補償信號.適當縮放的補償以相同的極性應用于兩個振蕩器的電調諧,其自身頻率相同.通過自舉兩個振蕩器,鎖相環保持不受影響并消除線性擾動.也可以補償非線性頻率擾動,但是補償信號將需要非線性處理而不是簡單縮放.該技術要求兩個振蕩器對外部影響具有顯著不同的靈敏度,但在實踐中,通常更容易找到具有不同老化速率,加速度靈敏度或頻率跳躍的晶體,而不是找到匹配的晶體.
老化校正:
簡單的老化校正系統用作該技術的示例.假設兩個鎖相振蕩器具有每年+2PPM和+5PPM的可預測老化率,并假設其電調諧的調諧靈敏度為每PP0 1PPM.當兩個Oscillator鎖相時,調諧電壓將以每年3伏的速率變化(每年3PPM差異).如果2PPM振蕩器是PLL中的主振蕩器,則將調諧電壓調整-2/3將提供消除參考電壓老化所需的校正電壓(3x2/3=2伏/年).如果另一個振蕩器是參考,那么比例因子將被選擇為-5/3.負極性由圖2中的求和放大器完成.1.將縮放電壓應用于兩個振蕩器將消除兩者的老化而不會干擾PLL.經過一年的運行,2PPM振蕩器調諧電壓將下降2伏,5PPM振蕩器上的電壓將下降3+2=5伏.顯然,這種技術需要可預測和穩定的老化速率,因此在該應用中具有有限的用途.
振動補償:
更合適的應用是校正振動引起的相位噪聲.夸脫晶體表現出與加速度相關的方向敏感性,導致晶振在存在振動時產生感應相位噪聲.早期的補償方案試圖對靈敏度,方向和1A進行建模,雖然這種材料被認為是原始的,但這里提出的概念的原創性是未知的,現有專利可能涵蓋了所提出材料的某些部分.


圖1:自舉PLL降低了振蕩器的不穩定性.

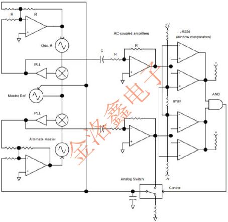
圖2:自舉參考振蕩器緩慢移動到新頻率而不是跳躍.
晶體的加速度靈敏度矢量與加速度計的共振,但這些系統可能非常復雜.另一種技術安裝具有相似靈敏度的晶體,其中加速度矢量指向相反方向.在特殊的振蕩器電路中,對振動的敏感性顯著降低,但晶體安裝和匹配都很困難.自舉技術如圖2所示.1需要具有不同加速度靈敏度的石英晶振,這是一種容易滿足的要求.此外,晶體簡單地并排安裝,加速度矢量指向相同的方向.如果靈敏度不同,快速PLL的調諧電壓將與該差異和振動水平成比例地變化.通過調整該電壓并將其應用于兩個振蕩器,可以降低振動靈敏度.頻率跳躍:
自舉PLL的另一個應用是三個振蕩器的組合,以減緩許多精密晶體表現出的偶然頻率步長.幾十億分之幾的突然步驟會破壞某些定時接收器的穩定性.先前的方案在投票安排中將三個自激振蕩器與頻率鑒別器組合以確定哪個振蕩器最接近一致.忽略表現出最大頻率偏差的振蕩器,并將另外兩個振蕩器中的一個用于輸出.在所提出的自舉PLL方案中,三個振蕩器是鎖相的,并且監視調諧電壓以確定哪個振蕩器采取了頻率步長(圖2).
任意選擇一個進口晶體振蕩器作為主振蕩器,選擇另一個振蕩器作為備用主振蕩器.在操作中,主機通過兩個PLL控制輸出頻率.如果主機采用頻率步進,則兩個PLL都將呈現觸發比較器和門的電壓階躍.門控輸出切換模擬開關,將備用主控PLL的輸出連接到自舉輸入,取消主機產生的步進.調諧電壓AC耦合到比較器中,使得系統僅響應突然的步驟并在一段時間后恢復到標稱狀態.由于自舉電壓應用于兩個振蕩器,因此PLL不受干擾.如果其他兩個振蕩器中的任何一個采用頻率步進,則AND門不會切換,并且主控制器仍處于控制狀態.最終結果是平滑主振蕩器的頻率步長,將它們轉換為足夠慢的頻率漂移,以便定時接收器能夠容忍.
如果兩個振蕩器被調諧相同的量,則鎖相環可以在頻率上移位而不會干擾環路.所提出的技術從PLL的調諧電壓中提取關于不期望的振蕩器行為的信息,并且引導兩個SPXO晶體振蕩器以減少行為.自舉技術可以找到其他應用,包括與環路無關的FM調制和慢速環路和多環系統的快速調諧.
正在載入評論數據...
相關資訊
- [2025-08-29]CTS致力于成為技術的前沿提供創...
- [2025-08-29]Diodes宣布推出一款智能48通道L...
- [2025-08-25]Rakon瑞康為什么應該放棄標準CO...
- [2025-08-25]Transko特蘭斯科推出了結合MEMS...
- [2025-08-23]SiT5503超精密溫度補償晶體振蕩...
- [2025-08-23]探索SiTime專為導航航空航天和國...
- [2024-04-11]CTECH濾波器型號數據列表CLB75P...
- [2024-03-18]Statek晶振產品應用CX20SCSM1-1...